FA-BR13-24V Coreless Brushed Motor for Dental Lab & Handpiece systems
13mm diameter and 32mm length precision coreless motor designed for dental lab equipment and handheld dental tools requiring stable and continuous operation.
The FA-BR13-24V(2.5W, 24V) combines smooth rotation, low vibration and stable torque output.
Delivers stable torque output and low vibration, ensuring smooth operation in dental polishing, grinding and lab processing equipment.

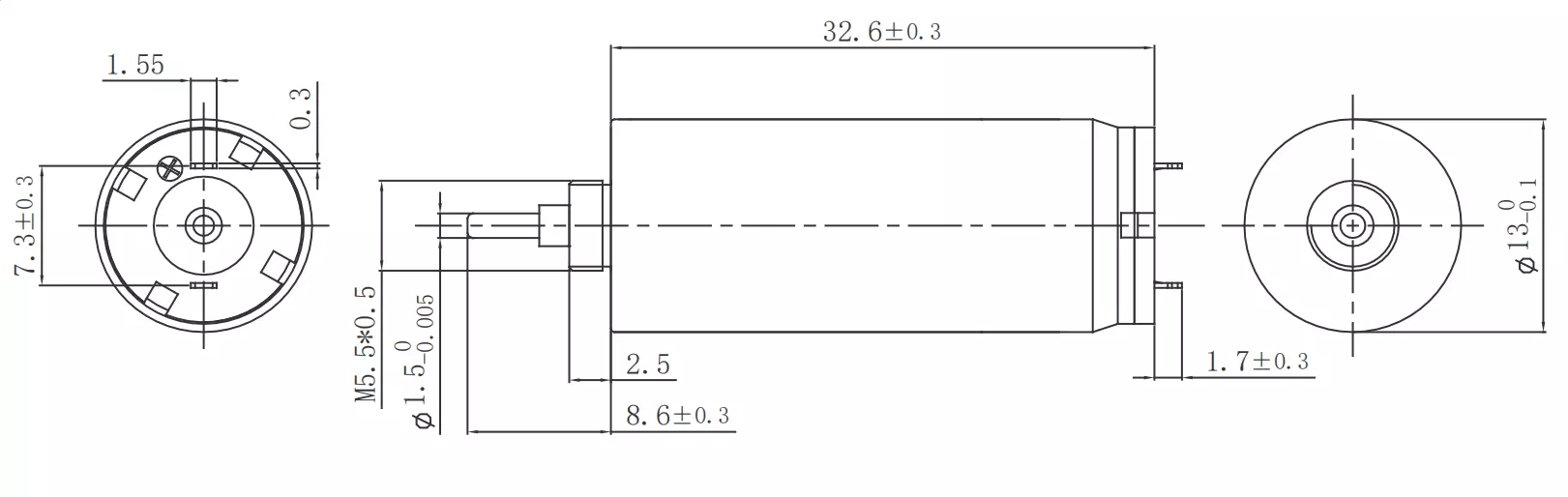
Mechanical Dimensions

Dimensions are in mm. Please refer to the datasheet for tolerances and mounting details.
Performance Parameters
| Motor specifications | 27A | 24A | 82A | 75A | |
|---|---|---|---|---|---|
| Nominal voltage | V | 3.5 | 5.0 | 12.0 | 24.0 |
| No load speed | rpm | 10400 | 10000 | 8670 | 13200 |
| No load current | mA | 45 | 30 | 15 | 15 |
| Nominal speed | rpm | 7826 | 7525 | 6524 | 9933 |
| Nominal torque | mNm | 2.32 | 3.11 | 2.86 | 4.54 |
| Nominal current | A | 0.76 | 0.67 | 0.23 | 0.27 |
| Stall torque | mNm | 9.2 | 12.6 | 11.6 | 16.3 |
| Stall current | A | 2.92 | 2.63 | 0.87 | 1.06 |
| Terminal resistance | Ω | 1.2 | 1.9 | 13.73 | 22.72 |
| Torque constant | mNm/A | 3.15 | 4.68 | 12.95 | 17 |
| Speed constant | rpm/V | 2917 | 2000 | 722 | 550 |
| Mechanical time constant | ms | 6.6 | 4.7 | 4.4 | 4.2 |
| Rotor inertia | gcm² | 0.593 | 0.588 | 0.589 | 0.586 |
Optical Gearbox
| Optional gearbox | |
|---|---|
| G13MF | |
| G13XL |
Optional encoder
| N/O | |
|---|---|
Other Specifications
| Other specifications | |||
|---|---|---|---|
| Operating temperature range | -20…+80℃ | Bearing type | Sleeve bearings |
| Number of pole pairs | 1 | Brush type | Precious metal brushes |
| Number of phases | 5 | Weight of motor | 21.43g |
Engineering Overview
stable torque output for continuous lab operation
low vibration for precision finishing applications
compact structure for handheld and desktop dental equipment
suitable for gearbox integration if higher torque is required.
Typical applications:
dental lab micromotor systems
polishing tools
compact rotary equipment
How to Choose Between 12mm and 13mm Motors
12mm ~ space limited
13mm ~ higher torque/stability
